博物院丨西汉见日之光透光镜:神奇的中国魔镜


隋唐文人王度在《古镜记》中,描述过一枚可以照出妖怪,也可以化解疾病灾难的神奇古镜。文中记载:“承日照之,则背上文画,墨入影内,纤毫无失。”意思是说,阳光照在铜镜上,镜子背面的花纹就会出现在墙上,分毫不差。
虽然这枚镜子出自光怪陆离的神异小说,但其与中国古代真实存在的透光镜具有相似的特征。
透光镜是一种起源于西汉时期的青铜铸镜,因在阳光照射下其背面的图文能映到墙上而得名。遗憾的是,透光镜技术在宋代就已失传,很多后人反复探究,都未能参透其中缘由。这种镜子先是传入日本,后被西方人获知,更被称为“中国魔镜”(Chinese Magic Mirror)。

河南博物院也藏有一面西汉见日之光透光镜,1953年在洛阳采集而得。铜镜直径7.9厘米,重66克,背面中央饰一圆状钮,钮座置于弦纹之内,主要纹饰系八曲连弧纹,镜铭为“见日之光,相思勿忘”八字,铭文带两边各有齿纹一周。
这面古朴的铜镜,看上去和其他古镜相差不大,但若经简单的加工、研磨、抛光,其光亮的镜面在承受日光或聚光灯的照射时,就可反映出它背面的铭文和图像。

见日之光透光镜背面花纹拓片
那么问题来了,作为金属的青铜为什么能透光呢?
早在宋朝,大学者沈括就对此有过研究。他在《梦溪笔谈》中记述:“世有透光鉴,以鉴承日光,则背纹及二十字皆透在屋壁上,了了分明。人有原其理,以谓铸时薄处先冷,唯背文上差厚,后冷而铜缩多,文虽在背,而鉴面隐然有迹,所以于光中现。余观之,理诚如是。”但是,沈括继而提到,自己也见过其他类似的镜子,都不能透光,最后得出的结论只是:“意古人别自有术。”
直到上世纪,研究人员通过现代技术,才真正解开了铜镜“透光”的千年谜题。
简单来说,透光镜映出的图案,并不是光线穿透镜体产生的,而是出自镜子本身的特殊设计。这种铜镜在铸造过程中,镜背的花纹图案凹凸处由于厚薄不同,经凝固收缩而产生铸造残余应力,后经研磨又产生压应力,铸造残余应力得以释放,造成镜体表面的弹性形变,虽肉眼不可见,却能对入射光线进行选择性调控,从而产生特定的光分布图样。
当然,镜子的材质、工艺、打磨方式等很多因素,都起到至关重要的作用。透光镜必须拥有凸面、薄体、宽边的结构,且背后纹饰需要满足同心圆分布的特征,汉代之后的众多铜镜逐渐变平、变大,纹饰也更加复杂,所以无法产生透光效果。
小小的铜镜,藏着了不起的黑科技。虽然古代制镜手艺人并不一定了解其中蕴含的科学理论,但依然能够凭借质朴的技艺与经验,打造出令世人叹为观止的作品。古人的智慧,远超我们的想象。

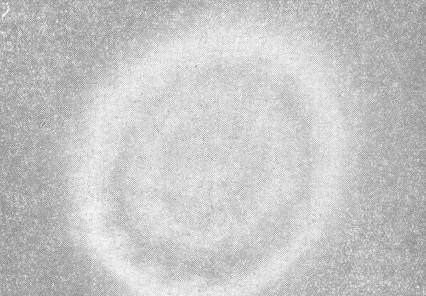
透光镜反射的图像
专家解读
据河南博物院馆员朱亚辉介绍,北宋沈括、元代吾邱衍、清代郑复光等历代学者都对透光镜进行过研究。透光镜问题在国外也颇受重视,19世纪30年代起,欧洲科学界对铜镜之所以能“透光”进行过持续一个世纪之久的研究讨论,直到1932年布拉格才对“魔镜”写出他的确定的解释,即光学中的长光程放大效应。这使得透光镜成了一个令世人注目的问题。
总而言之,历代学者在理论上认为透光镜透光的原因主要有四点:一、铜镜本身的造型特点,透光铜镜整体向上凸起,镜子边缘宽而厚,镜体比较薄,有同心圆分布的花纹结构;二、透光镜铸造过程中,在铸造残余应力作用下造成曲率差异是形成铜镜透光的基本要素;三、铜镜淬火处理产生的淬火应力是铜镜透光的原因之一;四、研磨工艺是铜镜透光的重要因素。铜镜内部的铸造残余应力并不能使镜体发生足够的形变,只有继续将铜镜逐渐磨薄,铸造残余应力才可以得到释放,使镜体表面发生更大的上拱形变。
透光镜目前存世数量稀少,特别是流传至今还能够“透光”的透光镜更为罕见。此类铜镜工艺高超,充分体现了光学和力学原理,具有极高历史、科学和艺术研究价值,是西汉时期最为珍贵的镜种,也是我国历史文物中的精品。
本稿件为独家原创,版权为郑州报业集团有限公司(正观新闻)所有,转载或者引用请注明来源及作者,如有违反,依法保留追究权。